logo

(050) 381-52-70

info@gutman.com.ua

Explosion-proof version (EBI) YALE LIFT 360 ATEX BASIC

Chain hoist explosion proof classification: ATEX BASIC - Ex II 3 GD with IIB T4.
Manual chain hoist Model Yalelift 360 - explosion-proof version (EBI)

Special explosion-proof design for repair and installation work in explosive industries.

  • Robust, fully galvanized body.
  • Enclosed chain and gearbox guides protect operating elements from the external environment.
  • The load chain is galvanized, the hand chain is made of stainless steel.
  • Forged chain stopper and hooks that do not break when overloaded.
  • Hooks rotate 360°.
  • Silent, highly reliable braking system.
  • Brake hoist with radiator.

 

NameLoad capacityNumber of chain strandsChain sizesïîäúåì çà õîä 1 ì ðó÷íîé öåïè, ììlift per stroke of 1 mhand chain, mmEAN-No. 4025092
kgpcsmmmmkgkgf N
YL 500 ÀÒÅÕ BASIC50015õ1533921*194969
YL 1000 ÀÒÅÕ BASIC100016x18201330*198196
YL 2000 ÀÒÅÕ BASIC200018õ24142032*199872
YL 3000 ÀÒÅÕ BASIC3000110õ30122938*210522
YL 5000 ÀÒÅÕ BASIC5000210õ3063834*218672
YL 10000 ÀÒÅÕ BASIC10000310õ3047144*224611
YL 20000 ÀÒÅÕ BASIC20000610õ3021692õ44*225625

Additional prices are calculated per 1 meter (including load and hand chain) for:

1 m chain for YL 500 ATEX BASIC
1 m chain for YL 1000 ATEX BASIC
1 m chain for YL 2000 ATEX BASIC
1 m chain for YL 3000 ATEX BASIC
1 m chain for YL 5000 ATEX BASIC
1 m chain for YL 10000 ATEX BASIC
1 m chain for YL 20000 ATEX BASIC

Additional prices are calculated per chain container

for YL 500 ATEX BASIC at 6 m lifting height
for YL 500 ATEX BASIC at 12 m lifting height
for YL 1000 ATEX BASIC at 6 m lifting height
for YL 1000 ATEX BASIC at 12 m lifting height
for YL 2000 ATEX BASIC at 6 m lifting height
for YL 2000 ATEX BASIC at 12 m lifting height
for YL 3000 ATEX BASIC at 6 m lifting height
for YL 3000 ATEX BASIC at 12 m lifting height
for YL 5000 ATEX BASIC at 6 m lifting height
for YL 5000 ATEX BASIC at 12 m lifting height
for YL 10000 ATEX BASIC at 4 m lifting height
for YL 10000 ATEX BASIC at 6 m lifting height

Friction clutch for overload protection for hoists with lifting capacity up to 20,000 kg
Overload protection friction clutch for hoists with a lifting capacity of 20000 kg

 

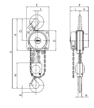
Table of main hoist sizes

 

Model

À

mm

Â

mm

Ñ

mm

D

mm

E

mm

F

mm

G

mm

H

mm

I

mm

K

mm

L

mm

M

mm

N

mm

YL 500

300

17

24

133

148

148

139

206

24

61

87

110

 14

YL 1000

335

22

29

158

175

167

164

242

24

70

97

125

 19

YL 2000

395

30

35

182

203

194

192

283

31

83

111

156

 22

YL 3000

520

38

40

220

250

219

225

335

34

95

124

178

 30

YL 5000

654

45

47

220

250

219

242

352

21

95

124

285

 37

YL 10000

825

68

68

220

383

219

326

436

136

95

124

401

 50

YL 20000

1010

85

64

303

555

250

391

501

-

115

135

471

 56