logo

(050) 381-52-70

info@gutman.com.ua

Взрывозащищенное исполнение (ВБИ) YALE LIFT 360 АТЕХ MEDIUM

Классификация ВБИ: АТЕХ MEDIUM - Ex II 2 GD c IIB T4

Таль ручная цепная Модель Yalelift 360 - взрывозащищенное исполнение (ВБИ)

Специальное взрывозащищенное исполнение для проведения ремонтных, монтажных работ на взрывоопасных производствах.

  • Грузовая цепь оцинкованная, ручная цепь из нержавеющей стали.
  • Крюки покрыты бронзой или медью.
  • Крюки вращаются на 360°.
  • Корпус тали с покрытием MKS.
  • Бесшумная, повышенной надежности, тормозная система.
  • Тормоз тали с радиатором.

 

Контакт для оперативного заказа:

Ирина Лещётная

+38 (095) 278-75-77 (приемная)

irina@gutman.com.ua

НаименованиеГрузоподъемностьКоличество цепных прядейРазмеры цепи pxд,подъем за ход 1 м ручной цепи, ммВес при стандартной высоте подъема 3м.Ручное усилие при номинальном грузеEAN-No. 4025092
кгштммммкгкгс N
YL 500 АТЕХ MEDIUM50015х1533921*206365
YL 1000 АТЕХ MEDIUM100016x18201330*206419
YL 2000 АТЕХ MEDIUM200018х24142032*206426
YL 3000 АТЕХ MEDIUM3000110х30122938*206440
YL 5000 АТЕХ MEDIUM5000210х3063834*206464
YL 10000 АТЕХ MEDIUM10000310х3047144*239547
YL 20000 АТЕХ MEDIUM20000610х3021692х44*251846

Дополнительные цены насчитываются за 1 метр (включая грузовую и ручную цепи) для:

1 м цепи для YL 500 АТЕХ BASIC
1 м цепи для YL 1000 АТЕХ BASIC
1 м цепи для YL 2000 АТЕХ BASIC
1 м цепи для YL 3000 АТЕХ BASIC
1 м цепи для YL 5000 АТЕХ BASIC
1 м цепи для YL 10000 АТЕХ BASIC
1 м цепи для YL 20000 АТЕХ BASIC

Дополнительные цены насчитываются за контейнер цепи

для YL 500 АТЕХ BASIC на 6 м высоты подъема
для YL 500 АТЕХ BASIC на 12 м высоты подъема
для YL 1000 АТЕХ BASIC на 6 м высоты подъема
для YL 1000 АТЕХ BASIC на 12 м высоты подъема
для YL 2000 АТЕХ BASIC на 6 м высоты подъема
для YL 2000 АТЕХ BASIC на 12 м высоты подъема
для YL 3000 АТЕХ BASIC на 6 м высоты подъема
для YL 3000 АТЕХ BASIC на 12 м высоты подъема
для YL 5000 АТЕХ BASIC на 6 м высоты подъема
для YL 5000 АТЕХ BASIC на 12 м высоты подъема
для YL 10000 АТЕХ BASIC на 4 м высоты подъема
для YL 10000 АТЕХ BASIC на 6 м высоты подъема

Фрикционная муфта защиты от перегрузки для талей грузоподъемностью до 20000 кг
Фрикционная муфта защиты от перегрузки для талей грузоподъемностью 20000 кг

 

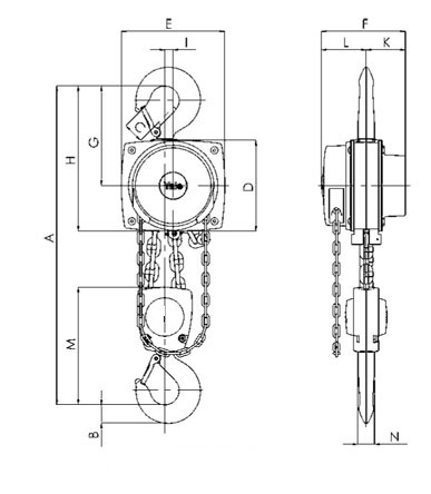
Таблица основных размеров тали 

 

Модель

А мин

мм

В

мм

С

мм

D

мм

E

мм

F

мм

G

мм

H

мм

I

мм

K

мм

L

мм

M

мм

N

мм

YL 500

300

17

24

133

148

148

139

206

24

61

87

110

 14

YL 1000

335

22

29

158

175

167

164

242

24

70

97

125

 19

YL 2000

395

30

35

182

203

194

192

283

31

83

111

156

 22

YL 3000

520

38

40

220

250

219

225

335

34

95

124

178

 30

YL 5000

654

45

47

220

250

219

242

352

21

95

124

285

 37

YL 10000

825

68

68

220

383

219

326

436

136

95

124

401

 50

YL 20000

1010

85

64

303

555

250

391

501

-

115

135

471

 56