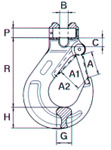
Крюк Gutman с предохранителем для цепи, тип KHLG
| Наименование | Диаметр сечения цепи | A | A1 | A2 | B | C | G | H | P | R | Вес | Г/п |
|---|---|---|---|---|---|---|---|---|---|---|---|---|
| мм | мм | мм | мм | мм | мм | мм | мм | мм | мм | кг | кг | |
| 6 | 26 | 19 | 20.5 | 7.2 | 8 | 15 | 20 | 7.4 | 69 | 0.24 | 1 120 | |
| 7-8 | 34 | 24.5 | 9.5 | 10 | 19 | 28 | 9 | 95 | 0.6 | 2 000 | ||
| 10 | 40 | 31 | 29 | 12 | 13.5 | 25 | 33 | 12.5 | 110 | 0.95 | 3 150 | |
| 13 | 51 | 40 | 35.4 | 15 | 17 | 30 | 40 | 16 | 136 | 1.67 | 5 300 | |
| 16 | 56 | 46 | 18 | 22 | 37 | 49 | 20 | 155 | 3.48 | 8 000 | ||
| 20 | 61 | 52 | 23 | 26 | 51 | 52 | 24 | 184 | 5 | 12 500 | ||
| 22 | 71 | 68 | 24.5 | 30 | 50 | 62 | 27 | 213.5 | 12.1 | 15 000 |



