Вибухозахисне виконання (ВБВ) YALE LIFT 360 АТЕХ HIGH

Класифікація (ВБВ): АТЕХ HIGH - Ex II 2 GD c IIC T4.

Таль ручна ланцюгова Модель Yalelift 360 - вибухозахищене виконання (ВБВ)

Спеціальне вибухозахищене виконання для проведення ремонтних, монтажних робіт на вибухонебезпечних виробництвах.

  • Вантажний та ручний ланцюги з нержавіючої сталі.
  • Гаки вкриті бронзою чи міддю.
  • Гаки обертаються на 360 °.
  • Корпус талі із покриттям MKS.
  • Безшумна, підвищена надійність, гальмівна система.
  • Гальмо талі з радіатором.

 

Контакт для оперативного замовлення:

Ірина Лещьотна

+38 (095) 278-75-77 (приймальня)

irina@gutman.com.ua

НайменуванняВантажопідйомністьКількість ланцюгових пасмРозміри ланцюга pxд,підйом за хід 1 м ручного ланцюга, ммВага при стандартній висоті підйому 3м.Ручне зусилля при номінальному вантажіEAN-No. 4025092
кгштммммкгкгс N
YL 500 АТЕХ HIGH50015х1533921*929806
YL 1000 АТЕХ HIGH100016x18201330*929790
YL 2000 АТЕХ HIGH200018х24142032*929783
YL 3000 АТЕХ HIGH3000110х30122938*929776
YL 5000 АТЕХ HIGH5000210х3063834*929769
YL 10000 АТЕХ HIGH10000310х3047144*929752
YL 20000 АТЕХHIGH20000610х3021962х44*929745

Додаткові ціни нараховуються за 1 метр (включаючи вантажний та ручний ланцюги) для:

1 м ланцюга для YL 500 АТЕХ BASIC
1 м ланцюга для YL 1000 АТЕХ BASIC
1 м ланцюга для YL 2000 АТЕХ BASIC
1 м ланцюга для YL 3000 АТЕХ BASIC
1 м ланцюга для YL 5000 АТЕХ BASIC
1 м ланцюга для YL 10000 АТЕХ BASIC
1 м ланцюга для YL 20000 АТЕХ BASIC

Додаткові ціни нараховуються за контейнер ланцюга

для YL 500 АТЕХ BASIC на 6 м висоти підйому
для YL 500 АТЕХ BASIC на 12 м висоти підйому
для YL 1000 АТЕХ BASIC на 6 м висоти підйому
для YL 1000 АТЕХ BASIC на 12 м висоти підйому
для YL 2000 АТЕХ BASIC на 6 м висоти підйому
для YL 2000 АТЕХ BASIC на 12 м висоти підйому
для YL 3000 АТЕХ BASIC на 6 м висоти підйому
для YL 3000 АТЕХ BASIC на 12 м висоти підйому
для YL 5000 АТЕХ BASIC на 6 м висоти підйому
для YL 5000 АТЕХ BASIC на 12 м висоти підйому
для YL 10000 АТЕХ BASIC на 4 м висоти підйому
для YL 10000 АТЕХ BASIC на 6 м висоти підйому

Фрикційна муфта захисту від навантаження для талів вантажопідйомністю до 20000 кг.
Фрикційна муфта захисту від навантаження для талів вантажопідйомністю 20000 кг.

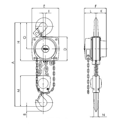
Таблиця основних розмірів талі

 

Модель

А мин

мм

В

мм

С

мм

D

мм

E

мм

F

мм

G

мм

H

мм

I

мм

K

мм

L

мм

M

мм

N

мм

YL 500

300

17

24

133

148

148

139

206

24

61

87

110

 14

YL 1000

335

22

29

158

175

167

164

242

24

70

97

125

 19

YL 2000

395

30

35

182

203

194

192

283

31

83

111

156

 22

YL 3000

520

38

40

220

250

219

225

335

34

95

124

178

 30

YL 5000

654

45

47

220

250

219

242

352

21

95

124

285

 37

YL 10000

825

68

68

220

383

219

326

436

136

95

124

401

 50

YL 20000

1010

85

64

303

555

250

391

501

-

115

135

471

 56